定压补水装置工作原理
【工泉公司官网:定压补水装置原理介绍】
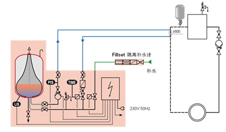
定压补水装置采用系统静压作为膨胀水箱内的设计初始压力水头,采用保证补水系统内热水不被气化的压力作为落地式膨胀水箱,内动型终端压力水头。初始运行时首选要启动补水泵向系统及囊式气压罐内的水室中充水,系统充满后多余的水会挤进胶囊内,因为水的不可压缩性,随着水量的不断增加,水室的体积也不断的扩大而压缩气室,囊式气压罐内的压力也不断的提高。
当补水装置达到系统设定压力时,通过压力控制器或电接点压力控制开关使补水泵停止补水。当系统内的水受热膨胀使系统压力升高超过设计压力时,多余的水通过安全阀排至补水箱循环使用,当系统中的水由于泄露或者温度下降体积缩小从而导致压力下降时,胶囊中的水会不断的压入管网补充系统中的降压损失,当系统压力至设计允许的最低压力时,通过压力控制器使补水泵重新启动向管网以及气压罐内补水,如此周而复始。本解释权由工泉公司所有
全自动定压补水装置原理图纸:

囊式定压补水(供水)装置
定压补水供水设备概述:
设定压力,微电脑控制器按设定的压力跟踪用户用水变化,随时指令变频器调节水泵转速,改变供水流量。控制供水压力保持恒压,误差≤5%。
定压补水装置产品特点:
1.主水泵故障可手动切换至备用水泵运行。
2、水泵手动巡检,防止备用水泵锈死,主、备泵任意指定。
3、工频供水:变频器故障时,可以人工控制供水。
4、自动故障保护:过载保护、短路保护、缺相保护、欠压保护、过电流保护以及瞬间断电自动恢复再启动功能。
5、流量:15-1000m3/h
6、扬程:15-250m
7、电机功率:0.75-280kW
8、压力误差:≤5%
9、水泵台数:两台,一用一备
10、启动方式:恒压软起动与工频启动
11、控制方式:全自动、手动、按时段定时启动(定时选装)
定压补水装置的用途:
居民区、住宅楼、村镇的集中生活供水系统。
各种类型中央空调的循环泵、冷却水供应系统。
高层建筑、宾馆、饭店等生活供水系统。
综合市场、写字楼、商务楼生活供水系统。
污水处理厂、排水站的自动控制供水系统。
自来水厂、供水加压泵站。
石油化工等行业的流体负载的流量、压力控制系统。
高层建筑热水供给和热水采暖系统。
城市园林喷灌。
工矿企业的生产、生活供水、恒压流量供水工艺流程等。
消防供水。
囊式定压罐单独介绍:
NZG系列囊式自动给水装置NZGP系列落地膨胀水箱是我公司吸收国内外先进技术而研制的具有独创技术的高效节能新颖成果。NZG系列已广泛用于居民住宅、旅馆宾馆、医院、科研等工企业及民用建筑设施的生活、生产及消防系统上。NZG系列产品已广泛用于热水供应、热水采暖、小区集中供暖及空调系统中作落地式膨胀水箱等用途,深受广大用户好评。
补水装置主要特点(优点):
1、 一次充气可保持长久使用。
2、 罐体为密闭装置,气水不接触,保证水质不受外界污染。
3、 占地面积小,安装快、投资省、操作维修方便。
4、 可取代生活消防及采暖、空调用的高位水箱及水塔,有利于建筑美观和结构抗震,降低建筑的造价。
5、 能自动消除管网中的水锤音及噪音。
6、 在热水采暖及空调系统中起膨胀水箱作用和自动补水作用。
适应范围:
1、 工业及民用建筑的生产、生活消防给水系统。
2、 热水供应系统、热水采暖系统、空调系统
3、 作为高层建筑给水系统中水锤噪音消除设备。
4、 农村自来水的理想设备、建筑施工、流动作业中临时供水设备。
5、 旅游设施及旅游点的喷泉、林场农村的灌溉系统。
- 上一篇:定压补水机组是由几部分组成 2015/7/4
- 下一篇:定压装置的选型与安装 2015/6/20
